更多相關產品
- LGH-IRW04型 工業機器人操作調整工技能鑒定平臺
- LGH-JR05Z型 工業機器人視覺裝配實訓平臺
- LGH-JR605Z型 工業機器人上下料技能實訓平臺
- LGH-JR12C型 工業機器人電氣系統拆裝實訓平臺
- LGH-LS01型 工業機器人理實一體化教學系統
- LGH-MES40型 工業4.0生產線實訓系統
- LGH-DK01型 工業機器人雕刻實訓平臺
- LGH-HJ12型 工業機器人焊接實訓平臺
- LGH-MP12型 工業機器人磨拋實訓平臺
- LGL-PT06型 工業機器人噴涂實操工作站
- LGL-CZ06型 工業機器人機械拆裝及電氣拆裝平臺
- LGL-MD06型 工業機器人碼垛實操工作站
- LGL-DM06型 工業機器人打磨去毛刺實操工作站
- LGL-HJ06型 工業機器人焊接實操工作站
- LGL-IR03型 工業機器人綜合實訓平臺
- LGL-ZS01型 綜合設備工業機器人工作站
- LG-CY403型 高防護工業機器人
- LG-CY420型 沖壓工業機器人
- LG-CY415型 四軸工業機器人
- LG-CY410A型 沖壓工業機器人
- LG-HJ605型 焊接工業機器人
- LG-DM630型 打磨工業機器人
- LG-DM612型 打磨工業機器人
- LG-ZN6150型 工業機器人
- LG-ZN680型 工業機器人
- LG-ZN650L型 工業機器人
- LG-ZN630型 工業機器人
- LG-ZN620L型 工業機器人
- LG-ZN612型 工業機器人
- LG-ZN605型 工業機器人
- LG-ZN603型 小型六軸工業機器人
- LGL-406型 SCARA工業機器人
- LGL-608H型 六軸工業機器人
- LGL-608型 工業機器人
- LGL-607/607L型 工業機器人
- LGL-604型 工業機器人
- LGL-620型 六軸工業機器人
- LG-SX5110型 碼垛工業機器人(5軸)
- LG-SX616型 工業機器人(機床高防護版)
- LG-SX610型 六軸工業機器人
LG-ZN6150型 工業機器人
LG-ZN6150型 工業機器人是一款大負載工業機器人,荷重150kg。LG-ZN6150型 工業機器人采用自主研發的第三代控制系統,具有負載大、工作范圍廣、可靠性高、穩定性強、運動響應快、性價比高等優勢。可廣泛應用于機床上下料、物料搬運、焊接等多個場合。

一、產品特點及優勢
1、優異的穩定性:嚴格的零部件把控,每一步裝配環節的極致追求。性能更穩定、可靠性更高。同時,簡易的設計讓維護更簡單。
2、抓取范圍更寬廣:更簡單、更強大,150kg負載機器人工作范圍高達2.7m,更大范圍的抓取物件,即站得近,抓得遠。
3、領先的控制技術:采用華數第三代控制系統,卓越的運動控制使機器人運行更平穩,響應更快速。
4、優質服務、高效售后:可提供遠程訪問監視實時查看機器人運行狀態,讓故障解決于無形;專業的焊接團隊提供專業的焊接技術支持;全國分布6大公司數十個支持點,提供全天24小時的優質服務。
二、技術參數
| 工業機器人 | LG-ZN6150 | |
| 自由度 | 6 | |
| 額定負載 | 150Kg | |
| *大工作半徑 | 2765.8mm | |
| 重復定位精度 | ±0.1mm | |
| 運動范圍 | J1 | -180°/+180° |
| J2 | -5°/-150° | |
| J3 | +10°/+265° | |
| J4 | -360°/+360° | |
| J5 | -110°/+110° | |
| J6 | -360°/+360° | |
| 額定速度 | J1 | 64°/s |
| J2 | 69°/s | |
| J3 | 93°/s | |
| J4 | 116°/s | |
| J5 | 148°/s | |
| J6 | 222°/s | |
| *高速度 | J1 | 128°/s |
| J2 | 139°/s | |
| J3 | 139°/s | |
| J4 | 174°/s | |
| J5 | 148°/s | |
| J6 | 222°/s | |
| 容許慣性矩 | J6 | 25kg㎡ |
| J5 | 55kg㎡ | |
| J4 | 55kg㎡ | |
| 容許扭矩 | J6 | 320Nm |
| J5 | 600Nm | |
| J4 | 600Nm | |
| 適用環境 | 溫度 | 0~45° |
| 濕度 | 20%~80% | |
| 其他 | 避免與易燃易爆或腐蝕性氣體、液體接觸,遠離電子噪聲源(等離子) | |
| 示教器線纜長度 | 8米 | |
| 本體-柜體連接線長度 | 8米 | |
| I/O參數 | 數字量:32輸入,31輸出(控制柜故障指示燈輸出占用1) | |
| 電源容量 | 18.5KVA | |
| 額定功率 | 15KW | |
| 額定電壓 | 3相AC380V | |
| 額定電流 | 25A | |
| 本體防護等級 | IP54 | |
| 安裝方式 | 地面 | |
| 本體重量 | 1320kg | |
| 控制柜防護等級 | IP53 | |
| 控制柜尺寸 | 747mm(寬)×515mm(厚)×1280mm(高) | |
| 控制柜重量 | 約160kg | |
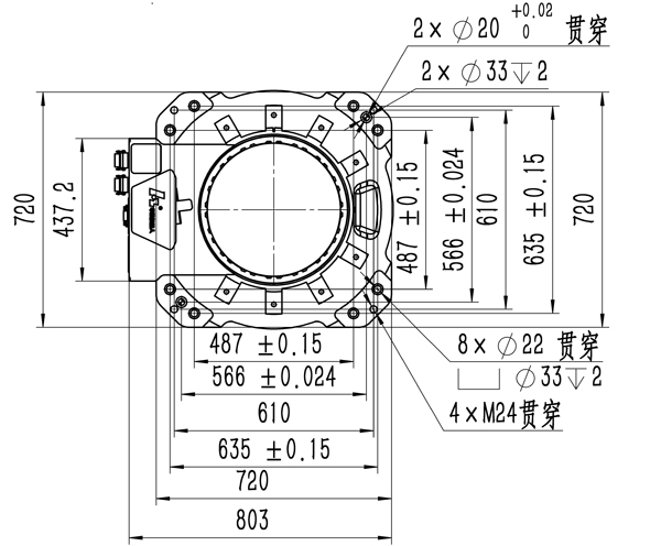
三、工業機器人參數圖




- 上一篇:LG-ZN680型 工業機器人
- 下一篇:LG-DM612型 打磨工業機器人



