更多相關產品
- LGH-IRW04型 工業機器人操作調整工技能鑒定平臺
- LGH-JR05Z型 工業機器人視覺裝配實訓平臺
- LGH-JR605Z型 工業機器人上下料技能實訓平臺
- LGH-JR12C型 工業機器人電氣系統拆裝實訓平臺
- LGH-LS01型 工業機器人理實一體化教學系統
- LGH-MES40型 工業4.0生產線實訓系統
- LGH-DK01型 工業機器人雕刻實訓平臺
- LGH-HJ12型 工業機器人焊接實訓平臺
- LGH-MP12型 工業機器人磨拋實訓平臺
- LGL-PT06型 工業機器人噴涂實操工作站
- LGL-CZ06型 工業機器人機械拆裝及電氣拆裝平臺
- LGL-MD06型 工業機器人碼垛實操工作站
- LGL-DM06型 工業機器人打磨去毛刺實操工作站
- LGL-HJ06型 工業機器人焊接實操工作站
- LGL-IR03型 工業機器人綜合實訓平臺
- LGL-ZS01型 綜合設備工業機器人工作站
- LG-CY403型 高防護工業機器人
- LG-CY420型 沖壓工業機器人
- LG-CY415型 四軸工業機器人
- LG-CY410A型 沖壓工業機器人
- LG-HJ605型 焊接工業機器人
- LG-DM630型 打磨工業機器人
- LG-DM612型 打磨工業機器人
- LG-ZN6150型 工業機器人
- LG-ZN680型 工業機器人
- LG-ZN650L型 工業機器人
- LG-ZN630型 工業機器人
- LG-ZN620L型 工業機器人
- LG-ZN612型 工業機器人
- LG-ZN605型 工業機器人
- LG-ZN603型 小型六軸工業機器人
- LGL-406型 SCARA工業機器人
- LGL-608H型 六軸工業機器人
- LGL-608型 工業機器人
- LGL-607/607L型 工業機器人
- LGL-604型 工業機器人
- LGL-620型 六軸工業機器人
- LG-SX5110型 碼垛工業機器人(5軸)
- LG-SX616型 工業機器人(機床高防護版)
- LG-SX610型 六軸工業機器人
LGL-607/607L型 工業機器人
LGL-607/607L型 工業機器人輕量型機器人,外形小巧、重量輕,是*適合用于組裝小型單元機器人,能夠高速、高精度的完成上下料、分揀、裝配等各項工作。同時所有機器人線纜內置,能夠在狹小的空間靈活的進行作業,安裝方式可以選擇地面安裝、掛裝、倒裝。LGL-607/607L型 工業機器人手腕額定負載5Kg,*大負載波6Kg,*大工作半徑LGL-607型*大工作半徑為720mm,LGL-607L型*大工作半徑為910MM。

一、產品特點
LGL-607/607L型 工業機器人重量輕、運行速度快、外型美觀、重復定位精度高、內置線纜。
二、產品應用
(一)搬運貨物
1、更大的靈活性,更穩定的性能、更低的能耗;
2、具有高速性的*大化吞吐量;
3、超長的工作運行時間;
4、節省地面空間;
(二)裝配
1、高速度、高重復定位精度;
2、節省地面空間;
3、超長的工作運行時間;
(三)打磨
1、防護等級高;
2、手腕力矩大;
三、技術參數
| 工業機器人 | LGL-607 | LGL-607L | |
| 手腕負載 | 額定 5 kg | 額定 5 kg | |
| *大 6 kg | *大 6 kg | ||
| *大工作半徑 | 780mm | 900mm | |
| 自由度 | 6 | 6 | |
| 關節速度 | J1 | 370°/s | 370°/s |
| J2 | 370°/s | 370°/s | |
| J3 | 430°/s | 430°/s | |
| J4 | 300°/s | 300°/s | |
| J5 | 460°/s | 460°/s | |
| J6 | 600°/s | 600°/s | |
| 關節范圍 | J1 | ±170° | ±170° |
| J2 | ±110° | ±110° | |
| J3 | "+40°/- 220° | "+40°/- 220° | |
| J4 | ±185° | ±185° | |
| J5 | ±120° | ±120° | |
| J6 | ±360° | ±360° | |
| 瞬間容許*大轉矩 | J5 | 35Nm | 35Nm |
| J6 | 24Nm | 24Nm | |
| 重量 | 30kg | 32kg | |
| 重復定位精度 | ±0.05mm | ±0.05mm | |
| 工作溫度 | 0-40℃ | 0-40℃ | |
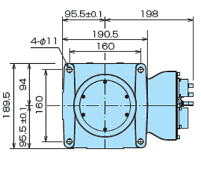
四、工業機器人參數圖


- 上一篇:LGL-604型 工業機器人
- 下一篇:LGL-608型 工業機器人



