更多相關產品
- LGH-IRW04型 工業機器人操作調整工技能鑒定平臺
- LGH-JR05Z型 工業機器人視覺裝配實訓平臺
- LGH-JR605Z型 工業機器人上下料技能實訓平臺
- LGH-JR12C型 工業機器人電氣系統拆裝實訓平臺
- LGH-LS01型 工業機器人理實一體化教學系統
- LGH-MES40型 工業4.0生產線實訓系統
- LGH-DK01型 工業機器人雕刻實訓平臺
- LGH-HJ12型 工業機器人焊接實訓平臺
- LGH-MP12型 工業機器人磨拋實訓平臺
- LGL-PT06型 工業機器人噴涂實操工作站
- LGL-CZ06型 工業機器人機械拆裝及電氣拆裝平臺
- LGL-MD06型 工業機器人碼垛實操工作站
- LGL-DM06型 工業機器人打磨去毛刺實操工作站
- LGL-HJ06型 工業機器人焊接實操工作站
- LGL-IR03型 工業機器人綜合實訓平臺
- LGL-ZS01型 綜合設備工業機器人工作站
- LG-CY403型 高防護工業機器人
- LG-CY420型 沖壓工業機器人
- LG-CY415型 四軸工業機器人
- LG-CY410A型 沖壓工業機器人
- LG-HJ605型 焊接工業機器人
- LG-DM630型 打磨工業機器人
- LG-DM612型 打磨工業機器人
- LG-ZN6150型 工業機器人
- LG-ZN680型 工業機器人
- LG-ZN650L型 工業機器人
- LG-ZN630型 工業機器人
- LG-ZN620L型 工業機器人
- LG-ZN612型 工業機器人
- LG-ZN605型 工業機器人
- LG-ZN603型 小型六軸工業機器人
- LGL-406型 SCARA工業機器人
- LGL-608H型 六軸工業機器人
- LGL-608型 工業機器人
- LGL-607/607L型 工業機器人
- LGL-604型 工業機器人
- LGL-620型 六軸工業機器人
- LG-SX5110型 碼垛工業機器人(5軸)
- LG-SX616型 工業機器人(機床高防護版)
- LG-SX610型 六軸工業機器人
LG-ZN603型 小型六軸工業機器人
LG-ZN603型工業機器人是小型多用途機器人,結構緊湊、體積小、重量輕、關節速度高、動態響應快,荷重5kg,具有低投資、高產出優勢。滿足快速拾放,具有極大的靈活性。在保持六軸機器人的通用性情況下其結構緊湊,重復定位精度高,響應快。該六軸工業機器人可高效完成上下料、分揀、裝配、打磨以及其他加工應用的工作任務。

工業機器人本體

分揀工業機器人
一、產品特點
1:LG-ZN603型工業機器人采用高性能控制系統和伺服驅動系統,具有運動速度快,高重復定位精度以及高軌跡跟蹤精度。
2:該款產品性能達到國內外同級別中上水平,重復定位精度達到±0.02mm。并且在該性能基礎上還具有較高性價比
3:該產品整機性能突出,系統拓展簡便,實現附加視覺、力反饋等模塊化,滿足3C行業各類工況需求。
4:LG-ZN603型工業機器人整機動態響應快等特點,同時兼顧體積小,質量輕,運輸、安裝方便等優點。
5:運行速度快,運行*大速度達到國內外同系列產品上級水平。
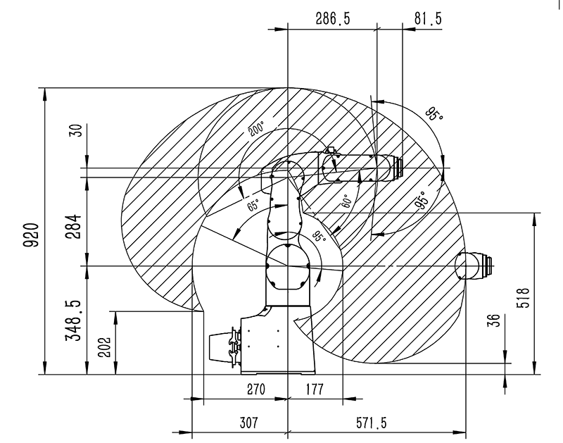
二、技術參數
| 工業機器人 | LG-ZN603 | |
| 自由度 | 6 | |
| 額定負載 | 3Kg | |
| *大工作半徑 | 571.5mm | |
| 重復定位精度 | ±0.02mm | |
| 運動范圍 | J1 | ±180° |
| J2 | -155°/+5° | |
| J3 | -20° /+240° | |
| J4 | ±180° | |
| J5 | ±95° | |
| J6 | ±360° | |
| 額定速度 | J1 | 262.5°/s,4.58rad/s |
| J2 | 262.5°/s,4.58rad/s | |
| J3 | 262.5°/s,4.58rad/s | |
| J4 | 262.5°/s,4.58rad/s | |
| J5 | 262.5°/s,4.58rad/s | |
| J6 | 420°/s,7.33rad/s | |
| *高速度 | J1 | 375°/s,6.54rad/s |
| J2 | 375°/s,6.54rad/s | |
| J3 | 375°/s,6.54rad/s | |
| J4 | 375°/s,10.46rad/s | |
| J5 | 375°/s,10.46rad/s | |
| J6 | 600°/s,10.46rad/s | |
| 容許慣性矩 | J6 | 0.05kg㎡ |
| J5 | 0.05kg㎡ | |
| J4 | 0.05kg㎡ | |
| 容許負荷扭矩 | J6 | 6.4Nm |
| J5 | 6.4Nm | |
| J4 | 12.7Nm | |
| 適用環境 | 溫度 | 0~45° |
| 濕度 | 20%~80% | |
| 其他 | 避免與易燃易爆或腐蝕性氣體、液體接觸,遠離電子噪聲源(等離子) | |
| 示教器線纜長度 | 8米 | |
| 本體-柜體連接線長度 | 3米 | |
| I/O參數 | 數字量:32輸入,31輸出(控制柜故障指示燈輸出占用1) | |
| 電源容量 | 0.8kVA | |
| 額定功率 | 0.6kW | |
| 額定電壓 | 單相AC220V | |
| 額定電流 | 3.2A | |
| 本體防護等級 | IP54 | |
| 安裝方式 | 地面安裝、倒掛安裝、側掛安裝、桌面安裝 | |
| 本體重量 | 27kg | |
| 控制柜防護等級 | IP53 | |
| 控制柜尺寸 | 650(寬)×370(厚)×600(高) | |
| 控制柜重量 | 20Kg | |
三、工業機器人參數圖




- 上一篇:LGL-406型 SCARA工業機器人
- 下一篇:LG-ZN605型 工業機器人



