企業信息
北京智控理工偉業科教設備有限公司
地址:北京市通州區馬駒橋景盛南二街15號(中關村園區金橋科技產業基地)
電 話:010-82827827 82827835
傳 真:010-68948559
網 址:http://www.bjlg.com
郵 箱:Ligong99@163.com
QQ:476528239 1183686277
更多相關信息
- 無線電發送與接收實驗
- 位置隨動控制系統
- 溫度控制模型
- 信號與系統·控制理論計算機控制技術實驗箱(配USB數據采集卡、聯網型)
- 信號與系統控制理論實驗箱
- 電能表接線仿真培訓裝置
- 低壓計量反竊電仿真培訓裝置
- 10kV高壓柜實訓裝置
- 低壓電路實訓裝置
- 斷路器漏電保護培訓裝置
- 二次負荷及壓降模擬系統
- 門禁控制系統考核培訓裝置
- 巡更管理系統考核培訓裝置
- 通風排煙系統考核培訓裝置
- 氣體滅火系統培訓裝置
- 采油實訓裝置
- 傳熱操作實訓裝置
- 吸收工考核培訓裝置
- 萃取工考核培訓裝置(DCS控制)
- 輪胎硫化機實訓裝置
- 全數字交流變頻控制提升機實訓裝置
- 架線式煤礦電機車變頻調速系統實訓裝置
- 礦井提升機系統實訓裝置(直流調速)(工程型)
- 三專兩閉鎖演示裝置
- 井下雙回路供電演示裝置
- 礦井膠帶輸送機電氣控制實訓裝置
- 礦井通風機電氣控制實訓裝置
- 絡筒機電氣技能實訓裝置
- 劍桿織機電氣技能實訓裝置
- 絡筒機電氣技能實訓裝置
- 整經機電氣技能實訓裝置
- 細紗機電氣技能實訓裝置
- 梳棉機電氣技能實訓裝置
- 單軸流開棉機電氣技能實訓裝置
- 冷飲制品自動化生產線實訓系統(工程型)
- 啤酒自動化生產線過程控制實訓系統(工程型)
- 電力系統發電機保護仿真實訓裝置
- 電力系統微機變壓器保護實訓考核裝置
- 熱工儀表及控制實訓裝置
- 裝表接電工實訓系統
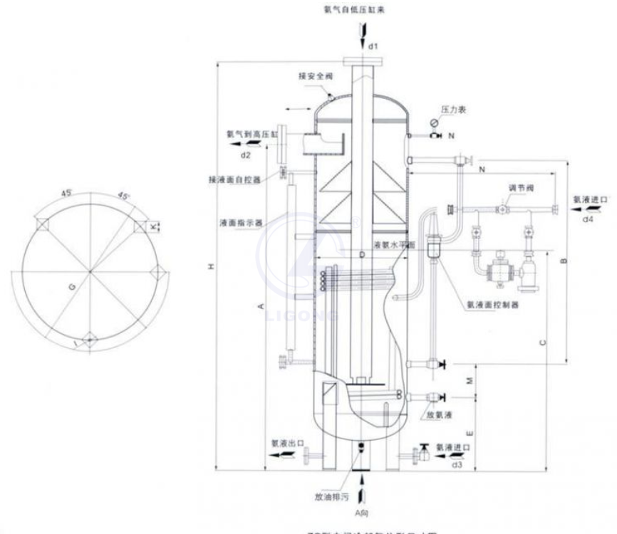
氨制冷系統中間冷卻器技能實訓考核裝置
氨制冷系統中間冷卻器技能實訓考核裝置主題內容與適用范圍
本標準規定了氨制冷裝置用中間冷卻器(以下簡稱冷卻器)的術語、產品分類、技術要求、試驗方法、檢驗規則、標志、包裝和運輸。
本標準適用于氨制冷裝置用中間冷卻器。

引用標準
GB 1226 一般壓力表
GB 12241 安全閥一般要求
GB/T 13306 標牌
JB/T 6917 制冷裝置用壓力容器
JB/T 6918 制冷用金屬與玻璃燒結液位計和視鏡
ZB J73 029 氨制冷裝置用管式換熱器清潔度測定方法
ZB J73 042 制冷用壓力、壓差控制器
術語
3.1 中間冷卻器
用于雙級壓縮機中的高壓級壓縮機吸氣和低壓級壓縮機排氣間的換熱器,其目的是將高壓級壓縮機吸入前的制冷劑冷卻。
4產品分類
4.1型式
冷卻器的結構型式為立式殼盤管式。
4.2 型號
4.2.1型號表示方法
冷卻器的型號由大寫漢語拼音字母和阿拉伯數字(以下簡稱數字)組成。其型號的表示方法規定如下
4.2.2型號示例
ZQ7.5-1: 表示名義冷卻面積為7.5m2,第一次改型的冷卻器。
4.3基本參數
冷卻器的名義冷卻面積應符合表1的規定。
表1 m2
4.4設計條件
4.4.1 設計壓力
盤管內: 2 MPa:
盤管外: 1.4 MPa.
4.4.2 設計溫度
盤管內: 50℃;
盤管外: 38℃
5技術要求
5.1一般要求
冷卻器應符合本標準的規定,并按經規定程序批準的圖樣和技術文件制造,也可按用戶和制造廠的協議制造。
5.2材料
5.2.1 冷卻器主要受壓元件的材料應具有材質證明書。
5.2.2 冷卻器所用的材料應符合JB/T 6917的規定。
5.3鋼管技術要求
5.3.1 冷卻器鋼管內、外表面不應有銹蝕、裂紋、麻點等缺陷,內、外表面應清潔、干燥
5.3.2 冷卻器彎管的彎曲處不應有皺折、壓痕等缺陷。
5.4擋液板
冷卻器擋液板應平整,表面無銹蝕,擋液板鉆孔后應除去毛刺。
5.5液面控制裝置
5.5.1 冷卻器安裝時,液面控制裝置應按圖樣或說明書規定,保證其安裝精度。
5.5.2 冷卻器的液面控制裝置為浮球閥時,浮球閥應靈活、無卡阻。
5.6冷、熱加工成型
冷卻器的冷、熱加工成型應符合JB/T 6917的規定。
5.7焊接與無損探傷
冷卻器的焊接與無損探傷應符合JB/T 6917的規定。
5.8試板與試樣
冷卻器的試板與試樣應符合JB/T 6917的規定。
5.9零、部件
冷卻器的簡體、封頭、法蘭、支座、支承板、管子等零、部件應符合JB/T 6917的規定。
5.10安全附件
冷卻器的安全附件除應符合JB/T 6917的規定外,還應符合以下規定:
a.超壓泄放裝置應符合GB 12241和有關標準的規定;
b. 高壓切斷裝置應符合ZB J73 042的規定;
c.液位計和視液鏡應符合JB/T 6918的規定
d.壓力表應符合GB 1226的規定。
5.11 耐壓和氣密要求
5.11.1 冷卻器及其冷卻盤管制成后應經壓力試驗和氣密試驗,其要求按JB/T 6917的規定。
5.11.2 冷卻器采用浮球閥時,所用的浮球應經1.25倍設計壓力的水壓耐壓試驗或1.15倍設計壓力的氣壓耐壓試驗,保壓5min,不應變形和滲漏。
5.12清潔度
冷卻器內部應清潔,其與制冷劑接觸部位的雜質含量應不超過800 mg/m2
5.13外觀質量
冷卻器造型應美觀大方,焊縫表面應無裂紋、氣孔、弧坑和夾渣,外表面應涂油漆,油漆應均勻光滑、色澤一致,不應有影響外觀的缺陷。
5.14 成套性
成套供應的冷卻器應包括:
a氨氣進、出口接頭
b.氨液進、出口接頭;
c.成組裝配法蘭:
d.平衡管接頭:
e.放油接頭:
f.安全閥接頭。
5.15附件
5.15.1 冷卻器的附件為:
a.安全閥:
b.液面指示器:
c.壓力表閥及壓力表;
d.氨閥;
e.液面控制器或浮球閥
f.放油閥:
g.地腳螺栓
5.15.2 冷卻器的其他附件應符合相應標準的規定。
5.16保用期
在用戶遵守產品說明書各項規定的條件下,從制造廠發貨之日起18個月內,冷卻器因制造不良而產生損壞或不能正常工作時,制造廠應免費更換或修理。
6.試驗方法
6.1無損探傷
冷卻器無損探傷的方法按JB/T 6917的規定。
6.2耐壓試驗和氣密試驗
冷卻器的耐壓和氣密試驗方法按JB/T 6917的規定。
6.3清潔度測定
冷卻器的清潔度的測定方法按ZB J73 029的規定。
7檢驗規則
7.1一般要求
冷卻器應由制造廠的技術檢驗部門按本標準和技術文件進行檢驗,合格后方可出廠
7.2 檢驗項目
每臺冷卻器制成后均應按以下檢驗項目進行出廠檢驗:
a. 檢查主要受壓元件的材質報告
b.檢查冷卻器的加工質量
c.檢查冷卻器的外觀質量;
d.檢查無損探傷報告
e.檢查耐壓和氣密試驗報告
f.核對標牌各項內容
g.按出廠文件核對產品的完整性。
8標志、包裝和運輸
8.1標志
8.1.1標牌
冷卻器應在明顯而平整的部位上固定標牌,標牌應符合GB/T 13306的規定,標牌上標出的內容可參照JB/T 6917的規定
8.1. 2 出廠文件
冷卻器的出廠文件可參照JB/T 6917的規定。
8.2包裝和運輸
8.2.1 冷卻器所有外露加工表面和接管處應涂防銹劑并妥善密封,組裝法蘭應用螺栓固緊,其法蘭密封面涂防銹油脂后應用盲板封住。
8.2.2 冷卻器的油漆、包裝、運輸可參照JB/T 6917的規定。

本標準規定了氨制冷裝置用中間冷卻器(以下簡稱冷卻器)的術語、產品分類、技術要求、試驗方法、檢驗規則、標志、包裝和運輸。
本標準適用于氨制冷裝置用中間冷卻器。

引用標準
GB 1226 一般壓力表
GB 12241 安全閥一般要求
GB/T 13306 標牌
JB/T 6917 制冷裝置用壓力容器
JB/T 6918 制冷用金屬與玻璃燒結液位計和視鏡
ZB J73 029 氨制冷裝置用管式換熱器清潔度測定方法
ZB J73 042 制冷用壓力、壓差控制器
術語
3.1 中間冷卻器
用于雙級壓縮機中的高壓級壓縮機吸氣和低壓級壓縮機排氣間的換熱器,其目的是將高壓級壓縮機吸入前的制冷劑冷卻。
4產品分類
4.1型式
冷卻器的結構型式為立式殼盤管式。
4.2 型號
4.2.1型號表示方法
冷卻器的型號由大寫漢語拼音字母和阿拉伯數字(以下簡稱數字)組成。其型號的表示方法規定如下
4.2.2型號示例
ZQ7.5-1: 表示名義冷卻面積為7.5m2,第一次改型的冷卻器。
4.3基本參數
冷卻器的名義冷卻面積應符合表1的規定。
表1 m2
| 1.0 | 1.5 | 2.0 | 2.5 |
| 3.0 | 3.5 | 4.5 | 5.0 |
| 6.0 | 6.5 | 7.5 | 8.0 |
| 8.5 | 10.0 | 12.0 | 16.0 |
4.4.1 設計壓力
盤管內: 2 MPa:
盤管外: 1.4 MPa.
4.4.2 設計溫度
盤管內: 50℃;
盤管外: 38℃
5技術要求
5.1一般要求
冷卻器應符合本標準的規定,并按經規定程序批準的圖樣和技術文件制造,也可按用戶和制造廠的協議制造。
5.2材料
5.2.1 冷卻器主要受壓元件的材料應具有材質證明書。
5.2.2 冷卻器所用的材料應符合JB/T 6917的規定。
5.3鋼管技術要求
5.3.1 冷卻器鋼管內、外表面不應有銹蝕、裂紋、麻點等缺陷,內、外表面應清潔、干燥
5.3.2 冷卻器彎管的彎曲處不應有皺折、壓痕等缺陷。
5.4擋液板
冷卻器擋液板應平整,表面無銹蝕,擋液板鉆孔后應除去毛刺。
5.5液面控制裝置
5.5.1 冷卻器安裝時,液面控制裝置應按圖樣或說明書規定,保證其安裝精度。
5.5.2 冷卻器的液面控制裝置為浮球閥時,浮球閥應靈活、無卡阻。
5.6冷、熱加工成型
冷卻器的冷、熱加工成型應符合JB/T 6917的規定。
5.7焊接與無損探傷
冷卻器的焊接與無損探傷應符合JB/T 6917的規定。
5.8試板與試樣
冷卻器的試板與試樣應符合JB/T 6917的規定。
5.9零、部件
冷卻器的簡體、封頭、法蘭、支座、支承板、管子等零、部件應符合JB/T 6917的規定。
5.10安全附件
冷卻器的安全附件除應符合JB/T 6917的規定外,還應符合以下規定:
a.超壓泄放裝置應符合GB 12241和有關標準的規定;
b. 高壓切斷裝置應符合ZB J73 042的規定;
c.液位計和視液鏡應符合JB/T 6918的規定
d.壓力表應符合GB 1226的規定。
5.11 耐壓和氣密要求
5.11.1 冷卻器及其冷卻盤管制成后應經壓力試驗和氣密試驗,其要求按JB/T 6917的規定。
5.11.2 冷卻器采用浮球閥時,所用的浮球應經1.25倍設計壓力的水壓耐壓試驗或1.15倍設計壓力的氣壓耐壓試驗,保壓5min,不應變形和滲漏。
5.12清潔度
冷卻器內部應清潔,其與制冷劑接觸部位的雜質含量應不超過800 mg/m2
5.13外觀質量
冷卻器造型應美觀大方,焊縫表面應無裂紋、氣孔、弧坑和夾渣,外表面應涂油漆,油漆應均勻光滑、色澤一致,不應有影響外觀的缺陷。
5.14 成套性
成套供應的冷卻器應包括:
a氨氣進、出口接頭
b.氨液進、出口接頭;
c.成組裝配法蘭:
d.平衡管接頭:
e.放油接頭:
f.安全閥接頭。
5.15附件
5.15.1 冷卻器的附件為:
a.安全閥:
b.液面指示器:
c.壓力表閥及壓力表;
d.氨閥;
e.液面控制器或浮球閥
f.放油閥:
g.地腳螺栓
5.15.2 冷卻器的其他附件應符合相應標準的規定。
5.16保用期
在用戶遵守產品說明書各項規定的條件下,從制造廠發貨之日起18個月內,冷卻器因制造不良而產生損壞或不能正常工作時,制造廠應免費更換或修理。
6.試驗方法
6.1無損探傷
冷卻器無損探傷的方法按JB/T 6917的規定。
6.2耐壓試驗和氣密試驗
冷卻器的耐壓和氣密試驗方法按JB/T 6917的規定。
6.3清潔度測定
冷卻器的清潔度的測定方法按ZB J73 029的規定。
7檢驗規則
7.1一般要求
冷卻器應由制造廠的技術檢驗部門按本標準和技術文件進行檢驗,合格后方可出廠
7.2 檢驗項目
每臺冷卻器制成后均應按以下檢驗項目進行出廠檢驗:
a. 檢查主要受壓元件的材質報告
b.檢查冷卻器的加工質量
c.檢查冷卻器的外觀質量;
d.檢查無損探傷報告
e.檢查耐壓和氣密試驗報告
f.核對標牌各項內容
g.按出廠文件核對產品的完整性。
8標志、包裝和運輸
8.1標志
8.1.1標牌
冷卻器應在明顯而平整的部位上固定標牌,標牌應符合GB/T 13306的規定,標牌上標出的內容可參照JB/T 6917的規定
8.1. 2 出廠文件
冷卻器的出廠文件可參照JB/T 6917的規定。
8.2包裝和運輸
8.2.1 冷卻器所有外露加工表面和接管處應涂防銹劑并妥善密封,組裝法蘭應用螺栓固緊,其法蘭密封面涂防銹油脂后應用盲板封住。
8.2.2 冷卻器的油漆、包裝、運輸可參照JB/T 6917的規定。

- 上一篇:熱水型吸收式溴化鋰機組綜合實訓考核裝置
- 下一篇:氨制冷氨泵控制與維護實訓考核裝置



